2CK15閘閥傘齒輪產品參數
1.該裝置是直接安裝在閘閥和截止閥上的手動裝置。
2.該裝置采用弧齒錐齒輪和平麵推力軸承,有運轉平穩,扭矩大,噪音小,效率高的優點。
3.在所有的結合部,采用了密封膠全密封處理,達到了防水,防油滲漏的效果,防護等級為IP65。
4.手輪和閥杆罩可根據用戶需求定製。上海大香蕉网址无遮挡結合各行各業閥門使用要求及環境,還生產單級電裝傘齒輪,雙級電裝傘齒輪,雙級傘齒輪,雙頭傘齒輪,三頭傘齒輪,鏈輪傘齒輪,雙級手輪驅動等產品。
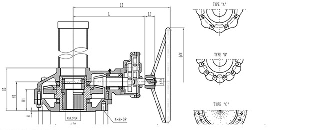
2CK美標閘閥傘齒輪尺寸圖

2CK美標閘閥傘齒輪連接及外形尺寸
尺寸 | 底座部分 | 外圍部分 | 輸入部分 | 手輪 | |||||||||||
型號 | 類型 | 法蘭 | ΦD1 | ΦD2 | N-H-DP | ΦD3 | H | H1 | H2 | H3 | L | LI | ΦPD | KEY | M |
2CK8-1S | A | F-35 | 260 | 356 | 8-M30-45 | 425 | 5 | 130 | 168 | 257 | 477 | 45 |
38 | 10X8 | 600 |
8-11/4-45 | |||||||||||||||
2CK1O-1S | F-40 | 300 | 406 | 8-M36-54 | 476 | 5 | 162 | 204 | 327 | 503 | 45 | 800 | |||
8-12/2-54 | |||||||||||||||
2CK15-1S | B | F-48 | 370 | 483 | 12-M36-555 | 540 | 5 | 199 | 227 | 350 | 572 | 50 | 45 | 12X8 | 800 |
12-13/8-55 | |||||||||||||||
2CK18-1S | C | F-48 | 370 | 483 | 12-M36-55 | 645 | 5 | 242 | 258 | 401 | 630 | 58 | 50 | 16X10 | 1000 |
12-13/8-55 | |||||||||||||||
2CK係列閥門減速器技術參數
型號
| 齒輪齒數比 | 最大閥杆直徑
| 最大推力 | 最大扭矩 | 重量KG | ||
N | | kgf | N.m | Kgf.m | ||||
2CK8-1S | 42.81:1/6.3:1 | 105 | 512000 | 52200 | 7652 | 780 | 190 |
2CK10-1S | 45.81:1/7.11:1 | 125 | 1110000 | 113000 | 12459 | 1270 | 280 |
2CK15-1S 2CK18-1S | 78.88:1/7:1 78.88:1/7:1 | 140 160 | 1310000 1430000 | 133000 146000 | 17266 25506 | 1760 2600 | 365 605 |
2CK18-1S | 78.88:1/7:1
| 160 | 1430000 | 146000 | 25506 | 2600 | 605 |