MY-9S部分回轉型閥門手動裝置產品外形美觀,蝸輪頭是一種出口型90°回轉型手動驅動裝置,MY-5S蝶閥大香蕉毛片网,MY-6S球閥大香蕉毛片网,MY-7S閥門執行器,8S蝸輪蝸杆減速機適用於蝶閥、球閥、旋塞閥等類型閥門。手輪采用鋼帶焊接,輸出力矩大。 蝸輪蝸杆閥門手動裝置,包括箱體,所述的箱體內部設有蝸輪,蝸輪內穿接有輸出軸,蝸輪齧合有蝸杆,蝸杆的兩端與箱體之間都設有圓錐滾子軸承,蝸輪一端的箱體上固定有蝸輪端蓋,蝸輪穿接在蝸輪端蓋上,蝸輪端蓋固定有扭力臂。圓錐滾子軸承可以將一個方向的力分割成軸向以及徑向的力,力分散後從而使得軸承能夠承受較大的力,避免軸承乃至整個減速機發生損壞。
小型齒輪減速機、蝸輪蝸杆減速箱,受到體積限製,其速比偏小,其傳動方向一般為平行輸入輸出不能滿足一些既有大速比減速又有垂直傳動方向要求的小型設備安裝使用。閥門大香蕉毛片网可選單級驅動閥門大香蕉毛片网和雙級驅動閥門大香蕉毛片网,主體材質分為WCB和HT200,QT450等。廣泛使用於蝶閥、球閥、旋塞閥、閘閥、截止閥的驅動裝置配置。
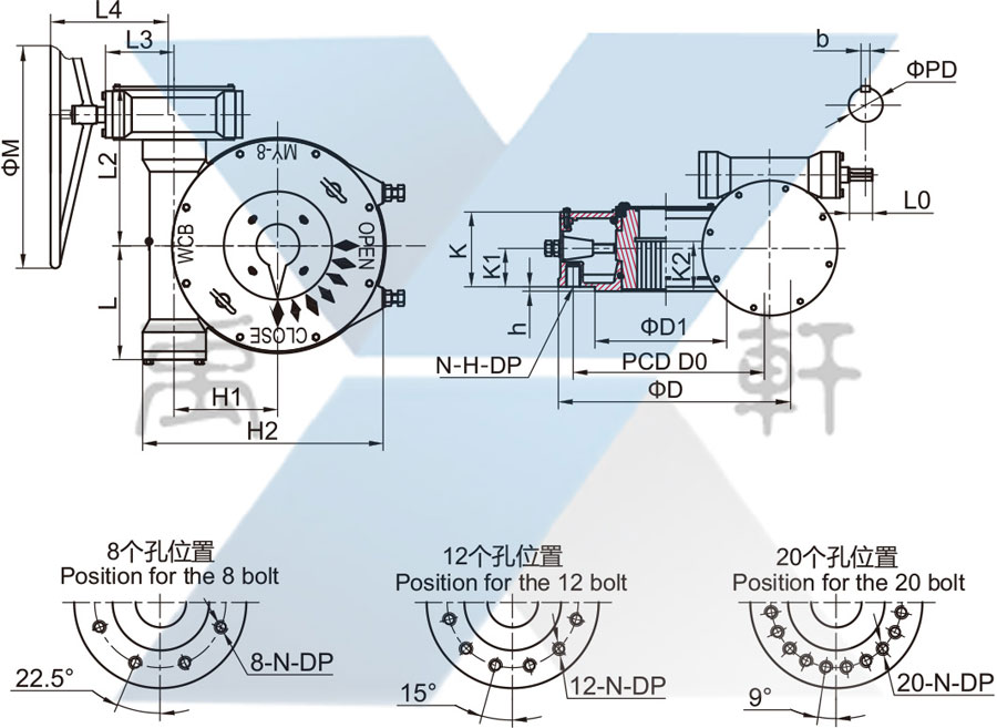
MY-9S大香蕉毛片网連接尺寸
MY-9S大香蕉毛片网技術參數
型號 | MY-4S | MY-5S MY-6S 技術參數 | MY-7S | MY-8S | MY-9S | |
速比 | 1170:1 | 1426:1 | 1541:1 | 1593:1 | 2250:1 | 2550:1 |
最大轉矩 N-m | 8000 | 15000 | 18000 | 28000 | 53000 | 100000 |
kgf-M | 816 | 1530 | 1836 | 2857 | 5408 | 8163 |
機械效率M.A+10% | 105.3 | 128.3 | 138.7 | 143.4 | 202.5 | 229.5 |
重暈 Kg | 70 | 93 | 103 | 167 | 221 | 440 |
連接尺寸 | ||||||
法蘭號F | F25 | F30 | F35 | F40 | F48 | F60 |
法蘭外圓(D) | 300 | 350 | 415 | 475 | 560 | 686 |
連接孔中心 DO | 254 | 298 | 356 | 406 | 483 | 603 |
PCD N-H-DP | 8-M16-24 | 8-M20-30 | 8-M30-45 | 8-M36-54 | 12-M36-54 | 20-M36-54 |
凸麵 (D1xh) | 200x5 | 230x5 | 260x5 | 300x8 | 370x8 | 470x8 |
最大閥杆mm (Od)
| 80 22x14 | 105 28x16 | 115 32x18 | 140 36x20 | 155 40x22 | 180 45x25 |
外型尺寸 | ||||||
H1 | 145 | 160 | 200 | 225 | 270 | 335 |
H2 | 344 | 390 | 465 | 540 | 632 | 740 |
K | 140 | 140 | 179 | 188 | 203 | 215 |
K1 | 80 | 70 | 90 | 100 | 100 | 117 |
L | 155 | 197 | 230 | 264 | 300 | 368 |
L2 | 244 | 286 | 319 | 372 | 410 | 508 |
L3 | 83 | 92 | 92 | 113 | 125 | 155 |
L4 | 230 | 285 | 285 | 330 | 380 | 430 |
PD | 21 | 21 | 21 | 28 | 28 | 28 |
手輪 (b)key | 6 | 6 | 6 | 8 | 8 | 8 |
LO | 35 | 35 | 35 | 40 | 40 | 40 |
M | 300 | 350 | 400 | 450 | 500 | 600 |