發布時間:2023-06-26 08:27:43 來源:管理員 點擊數:
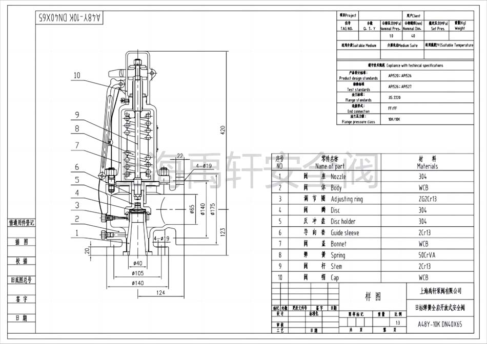
A48Y-10K 40X65日標安全閥主要用於石油、天然氣、化工、電力、城市燃氣等領域,作為超壓保護裝置,具有動作精度高,重複性好,回座準確,操作維護方便。也是大香蕉网址无遮挡公司主導的一款全啟式彈簧式安全閥,此款安全閥材料分為鑄鋼和不鏽鋼為主的精鑄型安全閥。
上海大香蕉网址无遮挡日標安全閥是嚴格執照JIS日本標準設計,製造和檢檢,具有造型美觀,動作精度高,重複性好,回座準確,排量係數大,密封性能好,操作維護方便等優點。是石油、天然氣、化工、化肥,電力、鋼鐵,冶金,製藥,城市燃氣等行業,是各種承壓設備、容器、球罐和管線上的最佳超壓保護裝置,當介質壓力升高超過允許值時,安全閥自動開啟,繼而全量排放,防止壓力繼續升高,當壓力降低至規定值時,安全閥及時自動關閉,從而保護設備的安全運行。
日標安全閥技術規範
1.設計標準:JIS B2071
2.結構長度:JIS B2002
3.連接法蘭:JIS B2212、B2214
4.試驗與檢驗:JIS B2003
日標安全閥規格壓力:
1.通徑:15A~50A
2.壓力:10K~20K
3.材質:F304 F316 F316L等。
下麵由上海大香蕉网址无遮挡泵閥有限公司技術部提供的A48Y-10K 40X65日標彈簧全啟開放式安全閥詳細材料,尺寸小樣圖紙供參考!
